Zhejiang Sehnaider Electric Co., Ltd.
Zhejiang Sehnaider Electric Co., Ltd.
Προϊόντα
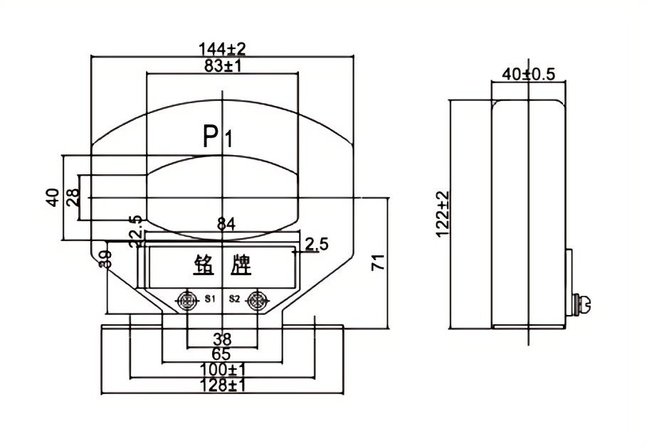
LMZJ1-0.5-80 Μετασχηματιστές ρεύματος
  • LMZJ1-0.5-80 Μετασχηματιστές ρεύματοςLMZJ1-0.5-80 Μετασχηματιστές ρεύματος

LMZJ1-0.5-80 Μετασχηματιστές ρεύματος

Οι μετασχηματιστές ρεύματος LMZJ1-0.5-80 είναι μηχανικοί με ακρίβεια για ακριβείς εφαρμογές μέτρησης και προστασίας σε ηλεκτρικά συστήματα. Με ονομαστική κλίμακα ρεύματος 0,5-80A, αυτοί οι μετασχηματιστές παρέχουν αξιόπιστες και ακριβείς επιδόσεις σε διάφορα βιομηχανικά περιβάλλοντα.

Οι μετασχηματιστές ρεύματος LMZJ1-0.5-80 είναι γνωστοί για την υψηλή ακρίβεια, το σφάλμα γωνίας χαμηλής φάσης και την εξαιρετική γραμμικότητα, εξασφαλίζοντας την ακριβή μέτρηση των σημερινών επιπέδων. Αυτοί οι ρεύμα μετασχηματιστές έχουν σχεδιαστεί για να είναι συμπαγείς και εύκολο στην εγκατάσταση, καθιστώντας τους κατάλληλους για ένα ευρύ φάσμα διαμορφώσεων ηλεκτρικού συστήματος. Χτισμένο με υλικά υψηλής ποιότητας, οι μετασχηματιστές ρεύματος LMZJ1-0.5-80 είναι ανθεκτικοί και παρέχουν μακροπρόθεσμη σταθερότητα για συνεχή λειτουργία. Trust LMZJ1-0.5-80 μετασχηματιστές ρεύματος για ακριβή μέτρηση ρεύματος και αξιόπιστη προστασία των ηλεκτρικών σας συστημάτων.


Προσδιορισμός

Ονομαστική τάση 500V
Ονομαστική συχνότητα 50Hz
Ονομασμένο πρωτογενές ρεύμα 10Α, 12.5Α, 15Α, 20Α, 25Α .., 6000Α
Βαθμολογημένο δευτερεύον ρεύμα 5α; 1α
Δευτερεύουσα ισχύ φορτίου
παράγοντας
0,8 (καθυστέρηση)
Ονομαστική έξοδος 2.5VA, 5VA, 10VA, 20VA
Ακρίβεια 0.2, 0.2S, 0.5, 0.5S
Αντίσταση απομόνωσης Αντοχή απομόνωσης της πρωτογενούς περιέλιξης στη δευτερεύουσα περιέλιξη
και στη γη ≥20mΩ
Συχνότητα ισχύος
αντοχή στην τάση
Αντέξτε την έγκυρη τιμή της πρωτογενούς περιέλιξης στη δευτερεύουσα περιέλιξη
και στη γη ≥ 3kv

Hot Tags: LMZJ1-0.5-80 Μετασχηματιστές ρεύματος
Αποστολή Ερώτησης
Πληροφορίες επαφής
  • Διεύθυνση

    Xiangyang Industrial Zone, Yueqing, Zhejiang, Κίνα

  • ΗΛΕΚΤΡΟΝΙΚΗ ΔΙΕΥΘΥΝΣΗ

    river@dahuelec.com

Εάν έχετε οποιαδήποτε έρευνα σχετικά με την προσφορά ή τη συνεργασία, μπορείτε να μας στείλετε email στο River@dahuelec.com ή να χρησιμοποιήσετε την ακόλουθη φόρμα έρευνας. Ο εκπρόσωπος πωλήσεων θα επικοινωνήσει μαζί σας εντός 24 ωρών. Σας ευχαριστούμε για το ενδιαφέρον σας για τα προϊόντα μας.
X
We use cookies to offer you a better browsing experience, analyze site traffic and personalize content. By using this site, you agree to our use of cookies. Privacy Policy
Reject Accept