Κατηγορία υψηλής ακρίβειας 0.5 - Παρέχει ακριβή μέτρηση ρεύματος για εφαρμογές μέτρησης και παρακολούθησης.
Ευρεία περιοχή μέτρησης - υποστηρίζει πολλαπλές αναλογίες ρεύματος για να φιλοξενήσει διάφορες συνθήκες φορτίου.
Compact & Lightweight Design - Εύκολο στην εγκατάσταση σε σφιχτές χώρους χωρίς να διακυβεύεται η απόδοση.
Εξαιρετική θερμική σταθερότητα - Εξασφαλίζει σταθερή λειτουργία ακόμη και κάτω από κυμαινόμενες θερμοκρασίες.
Ισχυρή μόνωση και ασφάλεια - συμμορφώνεται με τα πρότυπα ασφάλειας της βιομηχανίας, προσφέροντας αξιόπιστη προστασία από ηλεκτρικά σφάλματα.
Εξαιρετικές εφαρμογές - Ιδανικό για χρήση σε πάνελ διανομής ενέργειας, βιομηχανικό αυτοματισμό και συστήματα ανανεώσιμων πηγών ενέργειας.
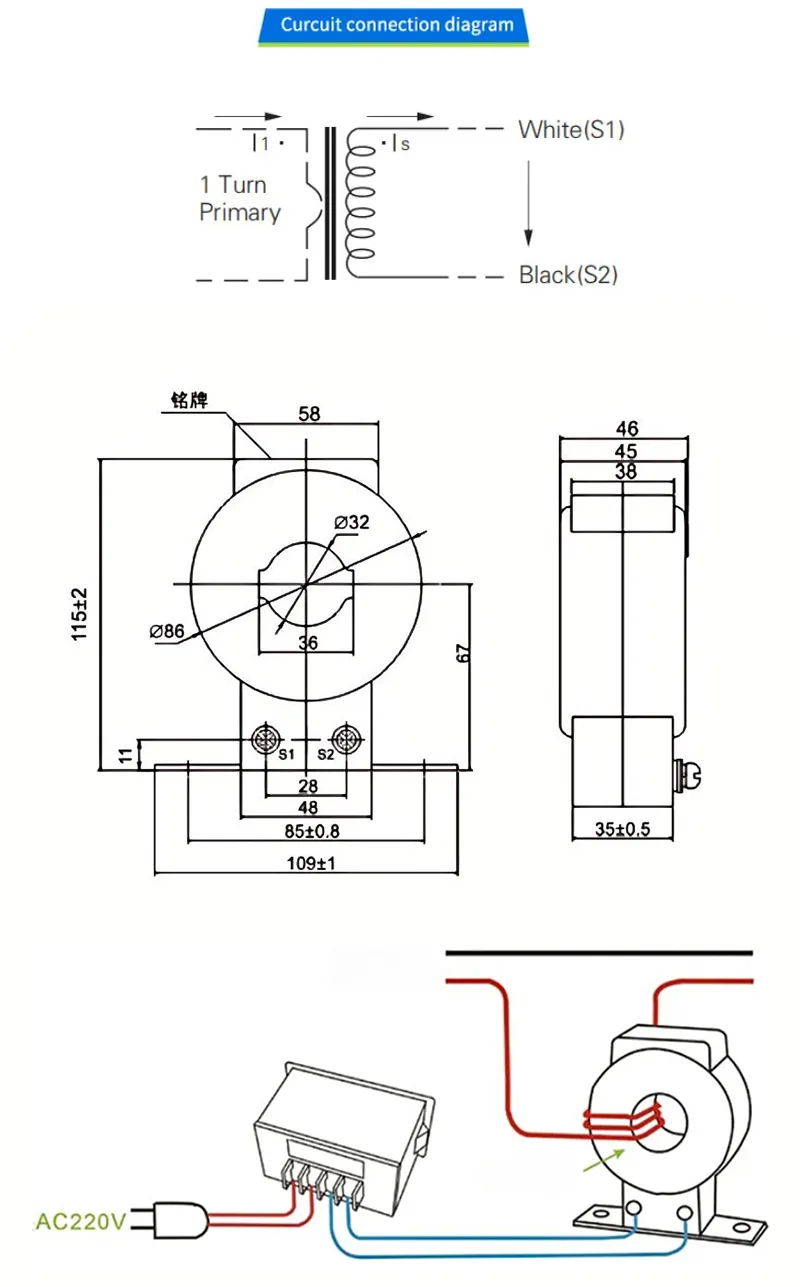
Ονομασμένο πρωτογενές ρεύμα: προσαρμόσιμο (π.χ., 5Α ~ 2000a)
Αξιολογημένο δευτερεύον ρεύμα: 5Α ή 1Α (πρότυπο)
Κατηγορία ακρίβειας: 0.5
Συχνότητα: 50Hz/60Hz
Επίπεδο μόνωσης: έως 3kv
Θερμοκρασία λειτουργίας: -25 ° C έως +70 ° C
Μέτρηση ισχύος και παρακολούθηση ενέργειας
Relays Protection & Circuit Breakers
Βιομηχανικά και εμπορικά ηλεκτρικά συστήματα
Εγκαταστάσεις ηλιακής και αιολικής ενέργειας

Διεύθυνση
Xiangyang Industrial Zone, Yueqing, Zhejiang, Κίνα
Τηλ
ΗΛΕΚΤΡΟΝΙΚΗ ΔΙΕΥΘΥΝΣΗ