Zhejiang Sehnaider Electric Co., Ltd.
Zhejiang Sehnaider Electric Co., Ltd.
Προϊόντα
BH-0.66-60 Μετασχηματιστές τρέχουσας
  • BH-0.66-60 Μετασχηματιστές τρέχουσαςBH-0.66-60 Μετασχηματιστές τρέχουσας

BH-0.66-60 Μετασχηματιστές τρέχουσας

Οι μετασχηματιστές ρεύματος BH -0.66-60 υιοθετούν φλόγα PC - επιβραδυντικό υλικό και το μαγνητικό -αγώγιμο υλικό είναι ένας ανόπτητος στρογγυλός πυρήνας για να εξασφαλίσει την ακρίβεια του προϊόντος σε επίπεδα 0.2 και 0.5. Για τα επίπεδα υψηλής ακρίβειας όπως 0,2s και 0,5s, μόνο οι υπεραγωγικοί μαγνήτες μπορούν να ικανοποιήσουν τέτοιες απαιτήσεις ακρίβειας.

Οι μετασχηματιστές ρεύματος BH-0.66-60 ισχύουν σε συστήματα ισχύος με ονομαστική συχνότητα 50Hz και ονομαστική τάση 0.66kV, 0.69KV, 0.5KV και κάτω για μέτρηση ηλεκτρικής ενέργειας, μέτρηση ρεύματος και προστασία ρελέ.


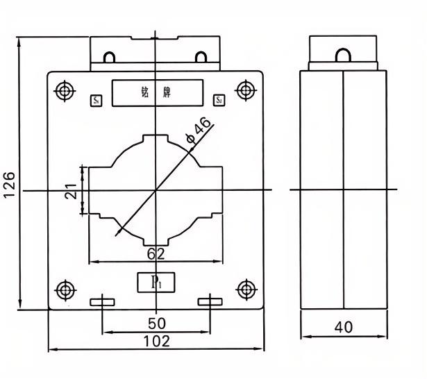
Αυτός ο ρεύματος μετασχηματιστής του Dahu είναι για εσωτερική χρήση, εγκατεστημένη εσωτερικά ντουλάπια και κουτιά διανομής. Διαθέτει νέο σχεδιασμό μαγνητικού κυκλώματος, προηγμένες μεθόδους αντιστάθμισης, εξαιρετικές τεχνικές επεξεργασίας, ασφαλή και αξιόπιστη απόδοση και μικρή και όμορφη εμφάνιση.


Το εξωτερικό κέλυφος είναι κατασκευασμένο από υψηλής φλόγας αντοχής - επιβραδυντικό PC με πλήρως κλειστή δομή και βαθμολογία επιβραδυντικής φλόγας του V1. Ο εσωτερικός πυρήνας είναι κατασκευασμένος από φύλλα χάλυβα πυριτίου προσανατολισμένου πυρήνα υψηλής ποιότητας. Η διάμετρος του καλωδίου επιλέγεται αυστηρά σύμφωνα με την πυκνότητα του οικονομικού ρεύματος για να εξασφαλίσει λιγότερη αύξηση της θερμοκρασίας. Με προχωρημένο και αξιόπιστο εξοπλισμό δοκιμών, εξασφαλίζει τη συμμόρφωση με τα ποιοτικά πρότυπα.


Διαθέτει τύπους τετραγώνων και στρογγυλών οπών, κατάλληλοι για διείσδυση μονής ρίζας ή πολλαπλών καλωδίων ρίζας ή διείσδυση μονής ρίζας. Έχει μια πλήρη σειρά προϊόντων, μια μεγάλη ποικιλία προδιαγραφών και ένα ευρύ φάσμα εφαρμογών.


Αιτήσεις

Παρακολούθηση και μέτρηση ενέργειας

Προστασία κυκλώματος και συντονισμός ρελέ

Βιομηχανικός αυτοματισμός και έξυπνα συστήματα πλέγματος

Τεχνικές προδιαγραφές

Ονομαστική τάση: 0.66kv

Συχνότητα: 50/60Hz

Κατηγορία ακρίβειας: 0.5, 1.0 (προσαρμόσιμη)

Επίπεδο μόνωσης: 3kv/min


Κύριες τεχνικές παραμέτρους

Βαθμολογημένη πρωτοβάθμια
Τρέχουσα (α)
Ακρίβεια
μαθήματα
συνδυασμός
Αξιολογημένη δευτερεύουσα έξοδος (VA) 1S Θερμικό ρεύμα (KA) Ονομαστικό δυναμικό ρεύμα (KA)
0,2 (ε) 0.2 0.5 10p10
5-40 0,2/10p10
0,5/10p10
/ 10 10 15 90LIN 220LIN
5-40 100 250LIN
5-40 20 50
5-40
5-40 36 90
10
5-40 45 100
5-40 56 100
5-40
5-40 80 110
5-40 100 110


Hot Tags: BH-0.66-60 Μετασχηματιστές τρέχουσας
Αποστολή Ερώτησης
Πληροφορίες επαφής
  • Διεύθυνση

    Xiangyang Industrial Zone, Yueqing, Zhejiang, Κίνα

  • ΗΛΕΚΤΡΟΝΙΚΗ ΔΙΕΥΘΥΝΣΗ

    river@dahuelec.com

Εάν έχετε οποιαδήποτε έρευνα σχετικά με την προσφορά ή τη συνεργασία, μπορείτε να μας στείλετε email στο River@dahuelec.com ή να χρησιμοποιήσετε την ακόλουθη φόρμα έρευνας. Ο εκπρόσωπος πωλήσεων θα επικοινωνήσει μαζί σας εντός 24 ωρών. Σας ευχαριστούμε για το ενδιαφέρον σας για τα προϊόντα μας.
X
We use cookies to offer you a better browsing experience, analyze site traffic and personalize content. By using this site, you agree to our use of cookies. Privacy Policy
Reject Accept