Zhejiang Sehnaider Electric Co., Ltd.
Zhejiang Sehnaider Electric Co., Ltd.
Προϊόντα
BH-0.66-30 Μετασχηματιστές τρέχουσας
  • BH-0.66-30 Μετασχηματιστές τρέχουσαςBH-0.66-30 Μετασχηματιστές τρέχουσας

BH-0.66-30 Μετασχηματιστές τρέχουσας

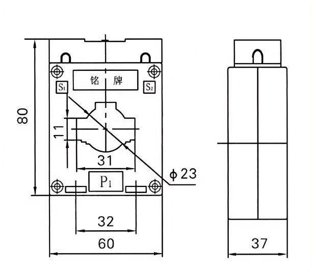
Οι μετασχηματιστές ρεύματος BH-0.66-30 (CTS) είναι όργανα που έχουν σχεδιαστεί με ακρίβεια σχεδιασμένα για ακριβή μέτρηση και παρακολούθηση ρεύματος σε ηλεκτρικά συστήματα χαμηλής τάσης. Με ονομαστική τάση μόνωσης 0,66kV, αυτοί οι μετασχηματιστές είναι ιδανικοί για διαχείριση ενέργειας, προστατευτικές μεταμετάλλεις και εφαρμογές μέτρησης.

Χαρακτηριστικά:

Υψηλή ακρίβεια: πληροί τα πρότυπα IEC 61869, εξασφαλίζοντας αξιόπιστες επιδόσεις για σκοπούς χρέωσης και παρακολούθησης.

Compact Design: Κατασκευή εξοικονόμησης χώρου για εύκολη εγκατάσταση σε στενούς χώρους.

Εύρος εύρος ρεύματος: Πρωτογενές ρεύμα έως 30α, κατάλληλο για ποικίλα βιομηχανικά και εμπορικά φορτία.

Ανθεκτικά υλικά: Η ισχυρή στέγαση παρέχει αντίσταση σε περιβαλλοντικούς παράγοντες και μηχανικό στρες.

Συμμόρφωση με την ασφάλεια: BH-0.66-30 Τρέχουσες μετασχηματιστές που συμμορφώνονται με τις διεθνείς πιστοποιήσεις ασφάλειας και απόδοσης.


Εφαρμογές:

Η μέτρηση ενέργειας στα συστήματα διανομής ισχύος.

Προστασία υπερβολικής ρεύματος σε διακόπτες κυκλώματος και ρελέ.

Ενσωμάτωση με έξυπνα δίκτυα και λύσεις παρακολούθησης που βασίζονται σε IoT.

Τεχνικές προδιαγραφές:

Ονομαστική τάση: 0.66kv

Συχνότητα: 50/60Hz

Κατηγορία ακρίβειας: 0.5, 1.0 (προσαρμόσιμη)

Βάρος: Σύμφωνα με τις απαιτήσεις των πελατών


Κύριες τεχνικές παραμέτρους

Βαθμολογημένη πρωτοβάθμια
Τρέχουσα (α)
Ακρίβεια
μαθήματα
συνδυασμός
Αξιολογημένη δευτερεύουσα έξοδος (VA) Είναι θερμικό ρεύμα (KA) Ονομαστικό δυναμικό ρεύμα (KA)
0,2 (ε) 0.2 0.5 10p10
5-40 0,2/10p10
0,5/10p10
/ 10 10 15 90LIN 220LIN
5-40 100 250LIN
5-40 20 50
5-40
5-40 36 90
10
5-40 45 100
5-40 56 100
5-40
5-40 80 110
5-40 100 110


Hot Tags: BH-0.66-30 Μετασχηματιστές τρέχουσας
Αποστολή Ερώτησης
Πληροφορίες επαφής
  • Διεύθυνση

    Xiangyang Industrial Zone, Yueqing, Zhejiang, Κίνα

  • ΗΛΕΚΤΡΟΝΙΚΗ ΔΙΕΥΘΥΝΣΗ

    river@dahuelec.com

Εάν έχετε οποιαδήποτε έρευνα σχετικά με την προσφορά ή τη συνεργασία, μπορείτε να μας στείλετε email στο River@dahuelec.com ή να χρησιμοποιήσετε την ακόλουθη φόρμα έρευνας. Ο εκπρόσωπος πωλήσεων θα επικοινωνήσει μαζί σας εντός 24 ωρών. Σας ευχαριστούμε για το ενδιαφέρον σας για τα προϊόντα μας.
X
Χρησιμοποιούμε cookies για να σας προσφέρουμε καλύτερη εμπειρία περιήγησης, να αναλύσουμε την επισκεψιμότητα του ιστότοπου και να εξατομικεύσουμε το περιεχόμενο. Χρησιμοποιώντας αυτόν τον ιστότοπο, συμφωνείτε με τη χρήση των cookies από εμάς. Πολιτική Απορρήτου
Απορρίπτω Αποδέχομαι